Search
Search
Dark mode
Light mode
Reader mode
Explorer
Home
❯
Computer Science
❯
OR Gate
OR Gate
Jan 07, 2025
1 min read
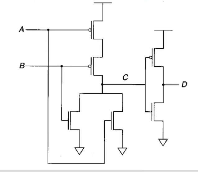
todo
NOT(NOR)
todo
insert OR diagram
Graph View
Backlinks
Digital Logic
Logic Gate
OR